Dodaj produkty podając kody
Instrukcja Montażu i Budowy Ultradźwiękowa Lewitacja - DIY KIT - Lewitacja - Eksperyment

Instrukcja Montażu i Budowy Ultradźwiękowa Lewitacja - DIY KIT - Lewitacja - Eksperyment
Marzysz o przeprowadzeniu fascynujących eksperymentów z lewitacją — w domowym zaciszu, w szkole lub warsztacie? Dzięki Ultradźwiękowa Lewitacja DIY KIT możesz zbudować własny lewitator krok po kroku i zobaczyć, jak dźwięk… unosi przedmioty w powietrzu!
Ten projekt to nie tylko świetna zabawa — to również doskonały sposób na naukę podstaw elektroniki, fal ultradźwiękowych i lutowania.
🔸 Czym jest lewitacja ultradźwiękowa?
Lewitacja ultradźwiękowa opiera się na zjawisku fali stojącej. Między nadajnikiem ultradźwięków a powierzchnią odbijającą (lub drugim nadajnikiem) powstaje wnęka rezonansowa.
W tej przestrzeni fale emitowane i odbite nakładają się na siebie, tworząc obszary, w których powstaje siła akustyczna — wystarczająca, by zrównoważyć działanie grawitacji na małe, lekkie obiekty. W efekcie cząsteczki zawisają w powietrzu — tworząc niezwykły efekt lewitacji!
⚡ Specyfikacja zestawu
Napięcie robocze: 12 V DC
Prąd roboczy: 0,5–1 A
Wymiary: 44 × 40 × 66 mm
Temperatura pracy: –20 ~ +85 °C
Wilgotność: 0–95 % RH
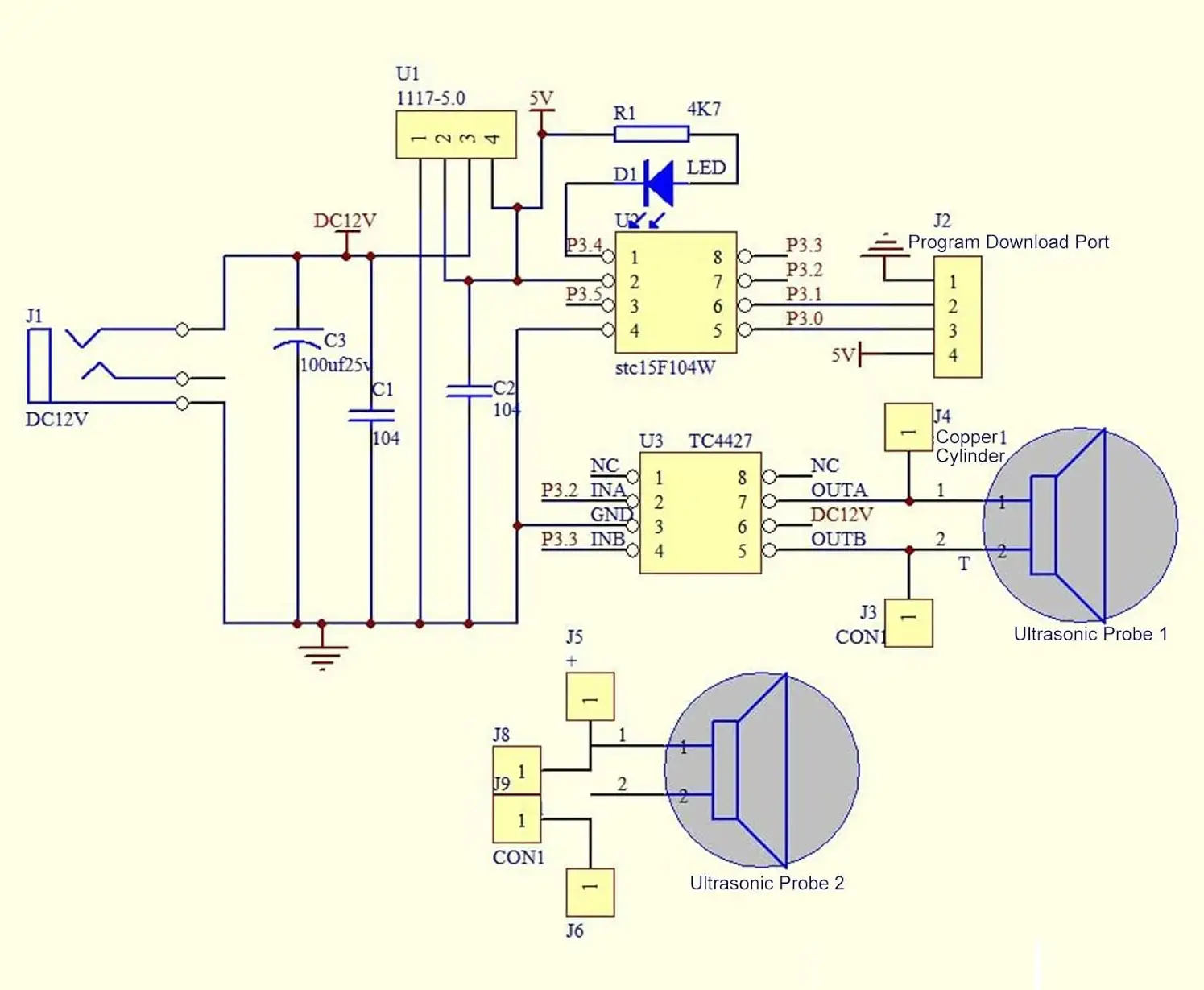
Schemat
📦 Co zawiera zestaw?
Nr | Element | Ilość | Opis |
---|---|---|---|
1 | Płytka PCB (dolna) | 1 szt | Układ zasilania i sterowania |
2 | Płytka PCB (górna) | 1 szt | Z nadajnikiem ultradźwięków |
3 | Nadajniki ultradźwięków | 2 szt | Oznaczone czarnym polem (+) |
4 | Układ scalony TC4427 | 1 szt | Sterownik |
5 | Układ scalony STC15F104 | 1 szt | Mikrokontroler |
6 | Układ AMS1117-5.0 | 1 szt | Stabilizator napięcia |
7 | Kondensatory 100 nF | 2 szt | Ceramiczne |
8 | Kondensator 47 µF / 25 V | 1 szt | Elektrolityczny |
9 | Dioda LED | 1 szt | Sygnalizacja pracy |
10 | Gniazdo zasilania DC | 1 szt | Standardowe wejście |
11 | Rezystor 3.3 kΩ | 1 szt | |
12 | Śruby M2 | 4 szt | Montaż łączników |
13 | Śruby M4 | 4 szt | Montaż nóżek |
14 | Łączniki miedziane | 4 szt | Dystanse między płytkami |
15 | Nóżki plastikowe | 4 szt | Stabilna podstawa |
🛠️ Instrukcja montażu – krok po kroku
Etap 1: Lutowanie układów SMD
Zamontuj układy: TC4427, STC15F104, AMS1117-5.0.
Zwróć uwagę na orientację układów — pin 1 musi być zgodny z oznaczeniem na PCB.
W razie braku doświadczenia warto obejrzeć poradnik lutowania SMD na YouTube.
Etap 2: Montaż elementów THT
Wlutuj kondensatory ceramiczne 100 nF.
Dodaj kondensator elektrolityczny 47 µF / 25 V (zwróć uwagę na polaryzację).
Wlutuj rezystor 3.3 kΩ oraz gniazdo DC.
Etap 3: Montaż elementów górnych
Przylutuj diodę LED (dłuższa nóżka = „+”).
Przymocuj nadajniki ultradźwięków — muszą być ustawione równolegle i prosto.
Etap 4: Montaż drugiej płytki
Na płytce górnej przylutuj drugi nadajnik.
Po lutowaniu oczyść płytkę z resztek topnika.
Etap 5: Złożenie konstrukcji
Przymocuj nóżki plastikowe do dolnej płytki (śruby M4).
Zamocuj łączniki miedziane (śruby M2).
Ustaw górną płytkę naprzeciwko dolnej — nadajniki muszą być dokładnie naprzeciw siebie.
Przykręć i upewnij się, że konstrukcja jest stabilna.
Etap 6: Uruchomienie
Podłącz zasilanie 12 V.
Dioda LED powinna się zaświecić.
Umieść delikatnie małe kulki (np. styropianowe) między płytkami — powinny unosić się w powietrzu!
⚠️ Wskazówki bezpieczeństwa i eksploatacji
Nie dotykaj przetworników w trakcie pracy — mogą się nagrzewać.
Nie przekraczaj napięcia 12 V.
Zestaw przechowuj w suchym miejscu.
Używaj bardzo lekkich przedmiotów (np. kulek styropianowych).
Unikaj przeciągów — wiatr może zakłócić lewitację.
✨ Dlaczego warto?
✅ Uczysz się lutowania i podstaw elektroniki
✅ Poznajesz w praktyce fale ultradźwiękowe
✅ Idealne narzędzie edukacyjne dla szkół i hobbystów
✅ Efekt „WOW” — unoszące się kulki robią ogromne wrażenie!
📚 Podsumowanie:
Zestaw ultradźwiękowej lewitacji to świetna okazja, by połączyć naukę i zabawę. Ten prosty, ale efektowny projekt idealnie sprawdzi się w pracowni DIY, szkole lub jako wyjątkowy prezent dla pasjonata nowych technologii.
👉 Sprawdź produkt w sklepie: Ultradźwiękowa Lewitacja DIY KIT